Nissan Pathfinder Door Lock Problems

Understanding Door Lock Mechanism Wd21 Nissan Pathfinder Youtube

Understanding Door Lock Mechanism Wd21 Nissan Pathfinder Youtube

Jay Had Problems With Just Answer Before But You Seem To Know What You Are Doing I Have A 92 Nissan Pathfinder With

Jay Had Problems With Just Answer Before But You Seem To Know What You Are Doing I Have A 92 Nissan Pathfinder With

Door Lock Actuator Problems Testing Replacement

Door Lock Actuator Problems Testing Replacement

I Have Nissan Pathfinder 06 Ti The Back Drivers Side Door Won T Open The Child Lock Is On All The Other Doors Open

I Have Nissan Pathfinder 06 Ti The Back Drivers Side Door Won T Open The Child Lock Is On All The Other Doors Open

What Is The Procedure To Install Outside Door Handle On87 Nissian Pathfinder Has Pw Pl

What Is The Procedure To Install Outside Door Handle On87 Nissian Pathfinder Has Pw Pl

I Have A 1992 Nissan Pathfinder Se 4wd Power Door Locks Only Sometimes Work When I Use The Door Lock Switch I Can Hear

I Have A 1992 Nissan Pathfinder Se 4wd Power Door Locks Only Sometimes Work When I Use The Door Lock Switch I Can Hear

I Have A 1992 Nissan Pathfinder Se 4wd Power Door Locks Only Sometimes Work When I Use The Door Lock Switch I Can Hear

Also please check out the statistics and reliability analysis of nissan pathfinder based on all problems reported for the pathfinder.

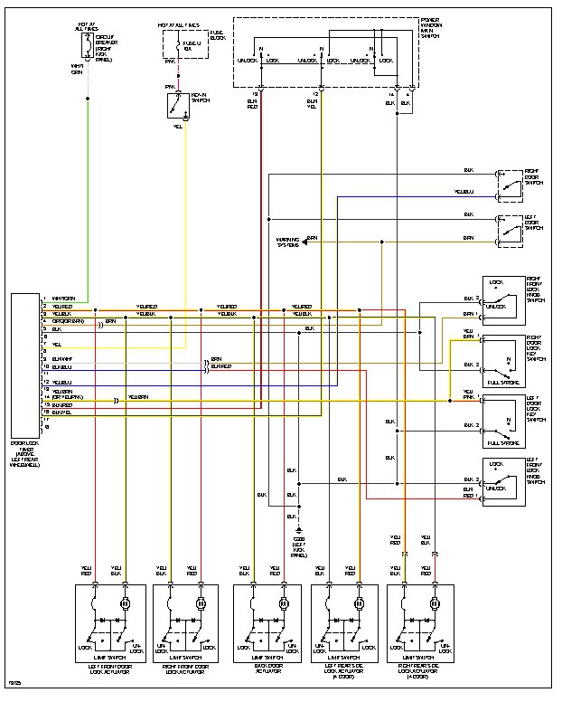
Nissan pathfinder door lock problems.

One part of your nissan pathfinder is the door lock actuator. You must have simple understand of your pathfinder door lock actuator that you can find some problem correct in time. So if you know the problem of your car just come to nissan parts deal to find the oem nissan pathfinder door lock actuator you need. If you have a 1990 to 1994 or so nissan product nissan or infiniti and your power door locks are acting strangely the problem is most likely caused by the door lock timer.

If you are having problems with the power door locks then it is usually due to a known issue with the power door lock actuator. Nissan pathfinder owners have reported 3 problems related to door latch under the latches locks linkage category. 1 doors don t lock with the switch or driver s lock knob. Convenient options at autozone allow you to shop quickly with online ordering and same day store pickup.

Nissan pathfinder 5 out of 5 stars 1 1 product ratings 2006 2007 nissan pathfinder back door lock assembly oem new genuine 90502 ea50b. I m helping a friend who just bought a 1995 nissan pathfinder se. Reading these common nissan pathfinder problems should help you find out what is wrong with your nissan pathfinder or just what to look out for in the future. To correct a problem with your power door locks caused by a faulty actuator that is stuck replace the door lock actuator for nissan pathfinder with a handy part from autozone.

The mechanical assembly connecting the lock cylinder itself to the inner door lock and. It has issues with the instrument gauge cluster temperature gauge barely working fuel gauge working sporadically and tachometer not working or sticking and sometimes working fine. We ll also give suggestions on what to.

How Do I Fix My Rear Door That Will Not Unlock

How Do I Fix My Rear Door That Will Not Unlock

I Have Nissan Pathfinder I Am Unable To Open The Near Side Rear Door The External Door Handle Doesn T Seem To Work As

I Have Nissan Pathfinder I Am Unable To Open The Near Side Rear Door The External Door Handle Doesn T Seem To Work As

Nissan Pathfinder Rear Door Stuck Questions Answers With Pictures Fixya

Nissan Pathfinder Rear Door Stuck Questions Answers With Pictures Fixya

Repairing Broken Door Lock Mechanism On Nissan D21 Hardbody Pick Ups Youtube

Repairing Broken Door Lock Mechanism On Nissan D21 Hardbody Pick Ups Youtube

2017 Nissan Pathfinder Child Safety Rear Door Locks Youtube

2017 Nissan Pathfinder Child Safety Rear Door Locks Youtube

Security System Problem And Power Locks Don T Work

Security System Problem And Power Locks Don T Work

Lock Repair On Nissan 1988 Nissan Pathfinder Hardbody D21 And Wd21 Youtube

Lock Repair On Nissan 1988 Nissan Pathfinder Hardbody D21 And Wd21 Youtube

2006 Nissan Xterra Rear Hatch Door Lock Fix Diy Youtube

2006 Nissan Xterra Rear Hatch Door Lock Fix Diy Youtube

Nissan Door Lock Actuator Motor Free Fix Stuck Door Lock Easy Repair 4k Youtube

Nissan Door Lock Actuator Motor Free Fix Stuck Door Lock Easy Repair 4k Youtube

Solved 2004 Frontier Doors Won T Open Fixya

Solved 2004 Frontier Doors Won T Open Fixya

2013 Nissan Pathfinder Child Safety Rear Door Locks Youtube

2013 Nissan Pathfinder Child Safety Rear Door Locks Youtube

How To Replace Door Lock Cylinder 96 04 Nissan Pathfinder Youtube

How To Replace Door Lock Cylinder 96 04 Nissan Pathfinder Youtube

2012 Nissan Pathfinder Shift Lock Release Youtube

2012 Nissan Pathfinder Shift Lock Release Youtube

Child Safety Rear Door Lock Doors Pre Driving Checks And Adjustments Nissan Pathfinder 2013 2020 Owner S Manual Nissan Pathfinder Nisuv Com

Child Safety Rear Door Lock Doors Pre Driving Checks And Adjustments Nissan Pathfinder 2013 2020 Owner S Manual Nissan Pathfinder Nisuv Com

Door Lock Pathfinder Questions Answers With Pictures Fixya

Door Lock Pathfinder Questions Answers With Pictures Fixya

2012 Nissan Pathfinder Automatic Door Locks Youtube

2012 Nissan Pathfinder Automatic Door Locks Youtube

How To Remove Front Door Panel 04 06 Nissan Sentra Youtube

How To Remove Front Door Panel 04 06 Nissan Sentra Youtube

How To Remove Door Panels And Front Seat On Nissan Pathfinder Components Install Part 1 Youtube

How To Remove Door Panels And Front Seat On Nissan Pathfinder Components Install Part 1 Youtube

3

3

Part 1 How To Program The Key Fob On 1998 2002 Nissan

Part 1 How To Program The Key Fob On 1998 2002 Nissan

Nissan Pathfinder Problems Avoid The 2005 Model Year

Nissan Pathfinder Problems Avoid The 2005 Model Year

Learn The 2020 Fix 1997 Nissan Pathfinder 3 3l Engine No Start Problem

Learn The 2020 Fix 1997 Nissan Pathfinder 3 3l Engine No Start Problem

How To Fix A Stuck Front Door Lock Latch That Won T Retract Silist Smitty S Information List

How To Fix A Stuck Front Door Lock Latch That Won T Retract Silist Smitty S Information List

How To Program A Nissan Pathfinder Remote Key Fob 1996 2012 Youtube

How To Program A Nissan Pathfinder Remote Key Fob 1996 2012 Youtube

Source : pinterest.com